製品仕様レーザードップラー速度計
| タイプ |
標準 |
|
|---|---|---|
| 光学センサー | S-100Z | |
| 信号処理ユニット | PV-01 | |
| 測定方式 | レーザー干渉ドップラー方式 | |
| 使用レーザー | 可視光半導体レーザー(波長約650nm)クラス3R※1 | |
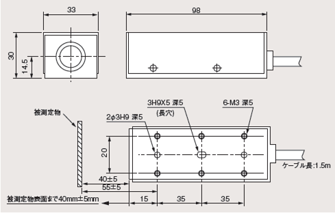
| 測定距離 | 40mm(センサー端面より) | |
| 測定深度 | ±5mm(測定距離より) | |
| 測定速度範囲 | −200~10000mm/s | |
| アナログ出力 | F/V出力 | 速度に比例したアナログ電圧出力 |
| 精度 | フルスケールの±1%以内(平均値) | |
| パルス出力 | 測長分解能 | 初期値:2.5µm 設定範囲:1.0~100µm (任意設定可能) |
| 測定確度(室温24度 環境下)※2 | ±0.1%以下 (−100mm/s~+100mm/s:±0.1mm/s) |
|
| 測定確度(0~45度 環境下)※2 | ±0.2%以下 (−100mm/s~+100mm/s:±0.2mm/s) |
|
| その他入出力(D-sub) | トリガー入力 | 5~24V 15mA max パルス幅100µs |
| トリガー出力 | オープンコレクター出力(5~24V) | |
| パルス出力 | 差動信号出力、オープンコレクター出力(5~24V) | |
| エラー出力 | オープンコレクター出力(5~24V) | |
| 測定再現性 | 0.02% | |
| 電源 | AC90-240V 50/60Hz | |
| 使用温度 | 0℃~45℃ | |
| 保存温度 | −30℃~60℃ | |
| 湿度 | 80%RH以下(結露無きこと) | |
| 質量 | 光学センサー | 0.31kg |
| 信号処理ユニット | 3.3kg | |
-
※1
レーザークラスの見直しにより、クラス2からクラス3Rに変更となりました。
-
※2
弊社測定環境での結果になります。
外形図
光学センサー S-100Z

信号処理ユニット PV-01

レーザードップラー速度計のご相談・お問い合わせ
キヤノンマーケティングジャパン株式会社 産業機器事業部 第二営業本部 第一営業部 営業第二課
Webサイトからのお問い合わせ
レーザードップラー速度計のご相談・お問い合わせを承ります。
03-3740-3336
※年末年始弊社休業日は休ませていただきます。