PD-710|製品仕様非接触測長計
| PD-710 | ||
|---|---|---|
| 測定方式 | プロファイルマッチング方式 | |
| 光源 | 白色LED | |
| 測定距離 (WD:Working Distance) |
70mm | |
| 測定深度 | ±15mm(測定距離より) | |
| 測定速度範囲※1 | -10000mm/s~10000mm/s (静止状態を含む) |
|
| 測定対象物の最大加速度 | 100G | |
| 測定分解能 | 1µm | |
| サンプリング周期 | 4kHz | |
| パルス出力 | 1µm~1000µm(アプリケーションソフトで設定) | |
| A/B相(RS422準拠 ラインドライバ) | ||
| その他入出力 | トリガ入力 | フォトカプラ絶縁:5V-24V |
| エラー出力 | オープンコレクタ出力(フォトカプラ絶縁):5V-24V | |
| 測定精度※2 | ±0.2%以下(WD70±5mm)※測定長さ50mm以下の場合、±100μm以下 ±0.5%以下(WD70±15mm) ※測定長さ20mm以下の場合、±100μm以下 |
|
| 測定再現性※3 | 0.02%以下(測定長さ100mm以下の場合、20µm以下) | |
| USBインターフェース | USB2.0 フルスピード(USB1.1互換)準拠 | |
| 電源電圧 | DC12V~24V | |
| 消費電力 | 8W | |
| 使用温度 | 0℃~50℃ | |
| 保存温度 | -30℃~50℃ | |
| 湿度 | 90%RH以下(結露無きこと) | |
| 振動 | 裸振動:振動環境下での評価を実施 振動数10Hz~500Hz 5G正弦波 XYZ各方向2時間 |
|
| 保護クラス※4 | IP65 | |
| 被測定面 | 散乱面※5 | |
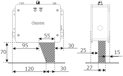
| 寸法 | 180mm×135mm×67mm(コネクタ部分を含まず) | |
| 質量 | 1.2kg | |
-
※1
PD-704とPD-710の仕様上の違いは測定速度範囲のみです
-
※2
弊社測定環境での結果です。
-
※3
弊社測定条件によります。
-
※4
I/Oケーブルキット(オプション)もしくはUSBケーブルキット(オプション)を使用いただいた場合に限ります。
-
※5
鏡面に近い光沢面は測定できない場合があります。(例. 蛍光灯のエッジがはっきりと写り込む表面など)
外形図
PDシリーズ
装置サイズ

光学有効領域

非接触測長計のご相談・お問い合わせ
キヤノンマーケティングジャパン株式会社 産業機器事業部 第二営業本部 第一営業部 営業第二課
Webサイトからのお問い合わせ
非接触測長計のお問い合わせ
03-3740-3336
受付時間:平日 9時00分~17時00分
※土日祝日・当社休業日は休ませていただきます。