GZ-611リニアステージ(ボイスコイル)
特長
-
キヤノンの光学技術に基づき設計・開発された信頼の高い光学式エンコーダを採用
-
専用コントローラ、接続ケーブルを用意 装置への組み込みが容易
-
高精度、高速位置決めステージ
使用イメージ
平凹レンズ、平凸レンズを組み合わせることでレーザのフォーカス高さを可変に
- 固定光学系を使用しているレーザ搭載装置のフォーカス調整
- 2Dガルバノを使用している装置の3D化
仕様
| GZ-611 | |
|---|---|
| 寸法 | W85×D76×H30mm |
| ストローク | ±5mm |
| 指令分解能(1パルス) | 0.02μm |
| 位置再現性 | 1μm |
| 推力 | 13.0N/A |
| 最大推力 | 52.0N |
| 推奨搭載負荷 | 20~50g |
| モータ | リニアモータ |
| エンコーダ | 光学式エンコーダ(光源LED) |
| 質量 | 640g |
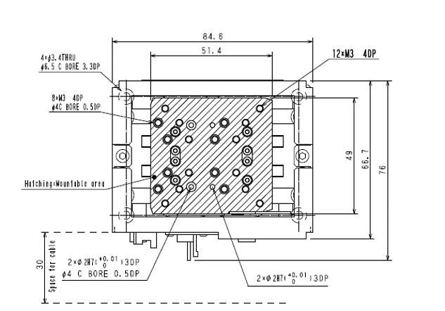
外形図


商品構成
専用コントローラGC-211/GC-1701、接続ケーブルを用意


-
※
専用コントローラ仕様は担当営業へお問い合わせください。
リニアステージについてのご相談、お問い合わせ
キヤノンマーケティングジャパン株式会社 産業機器事業部 営業部 営業第二課
Webサイトからのお問い合わせ
リニアステージについてのご相談、お問い合わせを承ります。
03-3740-3336
※年末年始弊社休業日は休ませていただきます。