オプション紹介|ユニットネットワークカメラ
基本情報
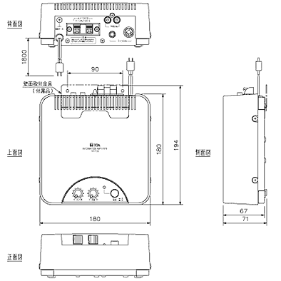
| 製品名 | インフォメーションアンプ TA-102![]() |
|---|---|
| 製造メーカー | TOA(株)製 |
| 型番 | TA-102 |
| 商品コード | 0495V611 |
| 希望小売価格(税別) | 23,000円 |
| 概要 | オフィスなどの受付から館内呼び出しや、案内放送に便利な10W出力のアンプ。 |
仕様
| 電源 | AC100V 50/60Hz |
|---|---|
| 消費電力 | 30W |
| 定格出力 | 10W |
| 出力インピーダンス | ハイインピーダンス:1kΩ |
| 歪率 | 3%(1kHz定格出力時) |
| 周波数特性 | 100~12,000Hz ±3dB |
| マイク入力 | −50dB 600Ω 不平衡ホーンジャック×1 または、DINソケット(5P)×1 (ホーンジャック優先) |
| 予備入力 | −10dB 50kΩ 不平衡RCAピンジャック |
| S/N比 | 60dB以上 |
| ミュート回路 | マイク入力による予備入力の自動減衰、復旧動作(減衰量25~30dB、復旧時間4.5s) |
| 内蔵1音チャイム | 330Hz(PM-660Dトークスイッチによりリモート起動) |
| 使用温度範囲 | −10℃~±50℃ |
| 仕上 | ケース:ABS樹脂オフホワイト(マンセルN9.5近似色) |
| 質量 | 約1.8kg |
| 付属品 | 壁面取付金具…1、取付ねじ…一式 |
| 外観図・図面 | |
![]() |
|

