オプション紹介|ハウジングネットワークカメラ
基本情報
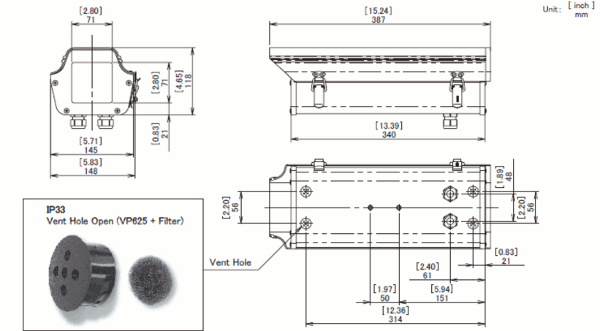
| 製品名 | 屋外ハウジング A-OH15FBS |
|---|---|
![]() |
|
| 製造メーカー | (株)エーエスシー製 |
| 型番 | A-OH15FBS |
| 商品コード | 1114V331 |
| 希望小売価格(税別) | オープン |
| 概要 | 箱型ハウジング。 |
仕様
| 外観 | 標準ホワイト(但し前後キャップ部は黒色) |
|---|---|
| 使用環境 | 温度-20℃~40℃ |
| 撮影範囲 | 水平76~34.2°、垂直62°~ 25.6 |
| 装備品 | ファン・ヒータキット |
| 消費電力 | AC100V、20W(ファン・ヒータ使用時) |
| 質量 | 約1.8kg(カメラは含まず) |
| 取付方法 | 壁面取付天吊取付。取付金具付。 |
| 外観図・図面 | |
![]() |
|

